Chongde Cat FMA面部铣刀工具架
CAT FMA面部铣削轴线数控铣刀架,用于夹具与径向驱动槽的夹具,如面铣刀,垂直椎间盘刀,设定型端铣刀,高速高精度加工。机械主轴。机械主轴和切割工具和其他配件。
高精度CAT工具架主要用于机械主轴和切削刀具和其他配件工具连接,这是一种简单,流行的主轴柄连接标准,主要是CAT30 CAT40 CAT50 ...等。用于机械主轴和切割工具的CAT工具架。其他配件工具连接。是一个简单,流行的主轴柄连接标准,主要是CAT30 CAT40 CAT50 ...等。猫刀架在模具行业使用更多,高速雕刻机。
特征:
TIR:≤0.0002\“;
材质:20crmnti;硬度:56-60 HRC;
适用于所有CAT40 / CAT50机器;
用完内部柄锥:≤0.002mm;
锥度接地到AT3耐受性或更好;
拉螺栓的后螺纹是5/8“ - 11”CAT40,1“-8为CAT50;
通过冷却剂的功能
镍涂层或波兰镍涂层工具架表面:防锈,防腐,耐用性更好。
我们的优势
刚性很大;
零件加工和表面处理尺寸的高精度稳定性
使用生命改善切削工具
在重切割过程中,振动引起的锥形柄的磨损减小
ATC重复高精度的操作
含镍涂层的出现,产品是防锈,防腐和耐用性更好。
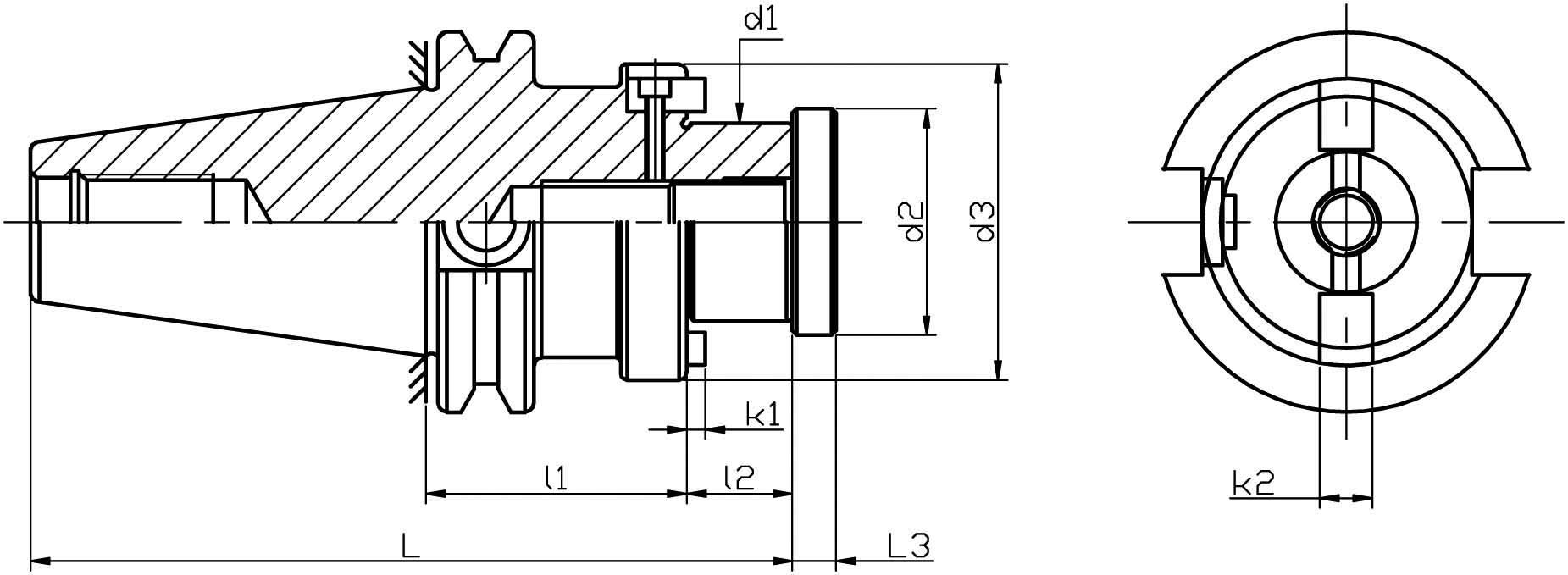
订单号。 | 型号。 | L | L2 | L3 | D2 | D3 | K1 | K2 | kgs. |
CD110802.4019038 | CAT40-FMA3 / 4“-1.5” | 4.744“ | 0.687“ | 0.512“ | 0.925“ | 1.69“ | 0.188“ | 0.3125“ | 1.5 |
CD110802.4025052 | cat40-fma1“-2.06” | 5.434“ | 0.687“ | 0.63“ | 1.240“ | 2.19“ | 0.188“ | 0.375“ | 2.4 |
CD110802.4032056 | CAT40-FMA1-1 / 4“-2.21” | 5.584“ | 0.687“ | 0.63“ | 1.614“ | 2.75“ | 0.25“ | 0.5“ | 2.6 |
CD110802.4038056 | CAT40-FMA1-1 / 2“-2.21” | 5.835“ | 0.938“ | 0.807“ | 1.752“ | 3.81“ | 0.349“ | 0.625“ | 2.7 |
CD110802.5019038 | CAT50-FMA3 / 4“-1.5” | 6.187“ | 0.687“ | 0.512“ | 0.925“ | 1.69“ | 0.188“ | 0.375“ | 4.2 |
CD110802.5025051 | CAT50-FMA1“-2” | 6.687“ | 0.687“ | 0.63“ | 1.24“ | 2.19“ | 0.188“ | 0.375“ | 4.5 |
CD110802.5032038. | CAT50-FMA1-1 / 4“-1.5” | 6.187“ | 0.687“ | 0.63“ | 1.614“ | 2.75“ | 0.25“ | 0.5“ | 4.7 |
CD110802.5038061 | CAT50-FMA1-1 / 2“-2.4” | 7.338“ | 0.938“ | 0.807“ | 1.752“ | 3.81“ | 0.349“ | 0.625“ | 5 |
CD110802.5038102 | CAT50-FMA1-1 / 2“-4” | 8.938“ | 0.938“ | 0.807“ | 1.752“ | 3.81“ | 0.349“ | 0.625“ | 5.2 |
CD1108025038152 | CAT50-FMA1-1 / 2“-6” | 10.938“ | 0.938“ | 0.807“ | 1.752“ | 3.81“ | 0.349“ | 0.625“ | 5.3 |
CD110802.5038203 | CAT50-FMA1-1 / 2“-8” | 12.938“ | 0.938“ | 0.807“ | 1.752“ | 3.81“ | 0.349“ | 0.625“ | 5.4 |
CD110802.5038305 | CAT50-FMA1-1 / 2“-12” | 14.938“ | 0.938“ | 0.807“ | 1.752“ | 3.81“ | 0.349“ | 0.625“ | 5.8 |
CD110802.5038381 | CAT50-FMA1-1 / 2“-15” | 17.938“ | 0.938“ | 0.807“ | 1.752“ | 3.81“ | 0.349“ | 0.625“ | 6.2 |
CD110802.5051061 | CAT50-FMA2“-2.4” | 7.338“ | 0.938“ | 0.807“ | 2.5“ | 4.88“ | 0.384“ | 0.75“ | 5.4 |
CD110802.502510 | cat50-fma1 \“ - 4 \” | 8.687 | 0.687 | 0.63 | 1.1875 | 2.19 | 0.188 | 0.375 | 4.7 |
CD110802.5025152 | cat50-fma1“ - 6 \” | 10.687 | 0.687 | 0.63 | 1.1875 | 2.19 | 0.188 | 0.375 | 4.9 |
CD110802.5025178 | cat50-fma1 \“ - 7 \” | 11.681 | 0.687 | 0.63 | 1.1875 | 2.19 | 0.188 | 0.375 | 5 |
CD110802.50252544 | cat50-fma1 \“ - 10 \” | 14.687 | 0.687 | 0.63 | 1.1875 | 2.19 | 0.188 | 0.375 | 5 |
CD110802.5025305 | Cat50-FMA1 \“ - 12 \” | 16.875 | 0.687 | 0.63 | 1.1875 | 2.19 | 0.188 | 0.375 | 5.2 |
CD110802.5025381 | cat50-fma1 \“ - 15 \” | 19.687 | 0.687 | 0.63 | 1.1875 | 2.19 | 0.188 | 0.375 | 5.5 |
CD110802.5032102 | cat50-fma1-1 / 4 \“ - 4 \” | 8.687 | 0.687 | 0.63 | 1.5 | 2.75 | 0.25 | 0.5 | 5.1 |
CD110802.5032152 | Cat50-FMA1-1 / 4 \“ - 6 \” | 10.687 | 0.687 | 0.63 | 1.5 | 2.75 | 0.25 | 0.5 | 5.2 |
CD110802.5032203 | Cat50-FMA1-1 / 4 \“ - 8 \” | 12.687 | 0.687 | 0.512 | 0.875 | 1.69 | 0.188 | 0.3125 | 5.3 |
CD110802.5032229 | CAT50-FMA1-1 / 4 \“ - 9” | 13.687 | 0.687 | 0.512 | 0.875 | 1.69 | 0.188 | 0.3125 | 5.4 |
CD110802.5032305 | cat50-fma1-1 / 4 \“ - 12 \” | 16.687 | 0.687 | 0.512 | 0.875 | 1.69 | 0.188 | 0.3125 | 5.5 |
CD110802.5032381 | Cat50-FMA1-1 / 4“ - 15” | 19.687 | 0.687 | 0.512 | 0.875 | 1.69 | 0.188 | 0.3125 | 5.6 |
CD110802.5019100 | CAT50-FMA3 / 4 \“ - 4 \” | 8.687 | 0.687 | 0.512 | 0.875 | 1.69 | 0.188 | 0.3125 | 4.2 |
CD110802.5019152 | CAT50-FMA3 / 4 \“ - 6 \” | 10.687 | 0.687 | 0.512 | 0.875 | 1.69 | 0.188 | 0.3125 | 4.5 |
CD110802.5019203 | CAT50-FMA3 / 4 \“ - 8 \” | 12.687 | 0.687 | 0.512 | 0.875 | 1.69 | 0.188 | 0.3125 | 4.7 |
CD110802.5019229 | CAT50-FMA3 / 4 \“ - 9 \” | 13.687 | 0.687 | 0.512 | 0.875 | 1.69 | 0.188 | 0.3125 | 4.8 |
CD110802.5019254 | CAT50-FMA3 / 4 \“ - 10 \” | 14.687 | 0.687 | 0.512 | 0.875 | 1.69 | 0.188 | 0.3125 | 4.8 |
CD110802.5019305 | CAT50-FMA3 / 4 \“ - 12 \” | 16.687 | 0.687 | 0.512 | 0.875 | 1.69 | 0.188 | 0.3125 | 5 |
CD110802.5019381 | CAT50-FMA3 / 4 \“ - 15 \” | 19.687 | 0.687 | 0.512 | 0.875 | 1.69 | 0.188 | 0.3125 | 5.3 |
Chongde Cat FMA面部铣刀工具架
CAT FMA面部铣削轴线数控铣刀架,用于夹具与径向驱动槽的夹具,如面铣刀,垂直椎间盘刀,设定型端铣刀,高速高精度加工。机械主轴。机械主轴和切割工具和其他配件。
高精度CAT工具架主要用于机械主轴和切削刀具和其他配件工具连接,这是一种简单,流行的主轴柄连接标准,主要是CAT30 CAT40 CAT50 ...等。用于机械主轴和切割工具的CAT工具架。其他配件工具连接。是一个简单,流行的主轴柄连接标准,主要是CAT30 CAT40 CAT50 ...等。猫刀架在模具行业使用更多,高速雕刻机。
特征:
TIR:≤0.0002\“;
材质:20crmnti;硬度:56-60 HRC;
适用于所有CAT40 / CAT50机器;
用完内部柄锥:≤0.002mm;
锥度接地到AT3耐受性或更好;
拉螺栓的后螺纹是5/8“ - 11”CAT40,1“-8为CAT50;
通过冷却剂的功能
镍涂层或波兰镍涂层工具架表面:防锈,防腐,耐用性更好。
我们的优势
刚性很大;
零件加工和表面处理尺寸的高精度稳定性
使用生命改善切削工具
在重切割过程中,振动引起的锥形柄的磨损减小
ATC重复高精度的操作
含镍涂层的出现,产品是防锈,防腐和耐用性更好。
订单号。 | 型号。 | L | L2 | L3 | D2 | D3 | K1 | K2 | kgs. |
CD110802.4019038 | CAT40-FMA3 / 4“-1.5” | 4.744“ | 0.687“ | 0.512“ | 0.925“ | 1.69“ | 0.188“ | 0.3125“ | 1.5 |
CD110802.4025052 | cat40-fma1“-2.06” | 5.434“ | 0.687“ | 0.63“ | 1.240“ | 2.19“ | 0.188“ | 0.375“ | 2.4 |
CD110802.4032056 | CAT40-FMA1-1 / 4“-2.21” | 5.584“ | 0.687“ | 0.63“ | 1.614“ | 2.75“ | 0.25“ | 0.5“ | 2.6 |
CD110802.4038056 | CAT40-FMA1-1 / 2“-2.21” | 5.835“ | 0.938“ | 0.807“ | 1.752“ | 3.81“ | 0.349“ | 0.625“ | 2.7 |
CD110802.5019038 | CAT50-FMA3 / 4“-1.5” | 6.187“ | 0.687“ | 0.512“ | 0.925“ | 1.69“ | 0.188“ | 0.375“ | 4.2 |
CD110802.5025051 | CAT50-FMA1“-2” | 6.687“ | 0.687“ | 0.63“ | 1.24“ | 2.19“ | 0.188“ | 0.375“ | 4.5 |
CD110802.5032038. | CAT50-FMA1-1 / 4“-1.5” | 6.187“ | 0.687“ | 0.63“ | 1.614“ | 2.75“ | 0.25“ | 0.5“ | 4.7 |
CD110802.5038061 | CAT50-FMA1-1 / 2“-2.4” | 7.338“ | 0.938“ | 0.807“ | 1.752“ | 3.81“ | 0.349“ | 0.625“ | 5 |
CD110802.5038102 | CAT50-FMA1-1 / 2“-4” | 8.938“ | 0.938“ | 0.807“ | 1.752“ | 3.81“ | 0.349“ | 0.625“ | 5.2 |
CD1108025038152 | CAT50-FMA1-1 / 2“-6” | 10.938“ | 0.938“ | 0.807“ | 1.752“ | 3.81“ | 0.349“ | 0.625“ | 5.3 |
CD110802.5038203 | CAT50-FMA1-1 / 2“-8” | 12.938“ | 0.938“ | 0.807“ | 1.752“ | 3.81“ | 0.349“ | 0.625“ | 5.4 |
CD110802.5038305 | CAT50-FMA1-1 / 2“-12” | 14.938“ | 0.938“ | 0.807“ | 1.752“ | 3.81“ | 0.349“ | 0.625“ | 5.8 |
CD110802.5038381 | CAT50-FMA1-1 / 2“-15” | 17.938“ | 0.938“ | 0.807“ | 1.752“ | 3.81“ | 0.349“ | 0.625“ | 6.2 |
CD110802.5051061 | CAT50-FMA2“-2.4” | 7.338“ | 0.938“ | 0.807“ | 2.5“ | 4.88“ | 0.384“ | 0.75“ | 5.4 |
CD110802.502510 | cat50-fma1 \“ - 4 \” | 8.687 | 0.687 | 0.63 | 1.1875 | 2.19 | 0.188 | 0.375 | 4.7 |
CD110802.5025152 | cat50-fma1“ - 6 \” | 10.687 | 0.687 | 0.63 | 1.1875 | 2.19 | 0.188 | 0.375 | 4.9 |
CD110802.5025178 | cat50-fma1 \“ - 7 \” | 11.681 | 0.687 | 0.63 | 1.1875 | 2.19 | 0.188 | 0.375 | 5 |
CD110802.50252544 | cat50-fma1 \“ - 10 \” | 14.687 | 0.687 | 0.63 | 1.1875 | 2.19 | 0.188 | 0.375 | 5 |
CD110802.5025305 | Cat50-FMA1 \“ - 12 \” | 16.875 | 0.687 | 0.63 | 1.1875 | 2.19 | 0.188 | 0.375 | 5.2 |
CD110802.5025381 | cat50-fma1 \“ - 15 \” | 19.687 | 0.687 | 0.63 | 1.1875 | 2.19 | 0.188 | 0.375 | 5.5 |
CD110802.5032102 | cat50-fma1-1 / 4 \“ - 4 \” | 8.687 | 0.687 | 0.63 | 1.5 | 2.75 | 0.25 | 0.5 | 5.1 |
CD110802.5032152 | Cat50-FMA1-1 / 4 \“ - 6 \” | 10.687 | 0.687 | 0.63 | 1.5 | 2.75 | 0.25 | 0.5 | 5.2 |
CD110802.5032203 | Cat50-FMA1-1 / 4 \“ - 8 \” | 12.687 | 0.687 | 0.512 | 0.875 | 1.69 | 0.188 | 0.3125 | 5.3 |
CD110802.5032229 | CAT50-FMA1-1 / 4 \“ - 9” | 13.687 | 0.687 | 0.512 | 0.875 | 1.69 | 0.188 | 0.3125 | 5.4 |
CD110802.5032305 | cat50-fma1-1 / 4 \“ - 12 \” | 16.687 | 0.687 | 0.512 | 0.875 | 1.69 | 0.188 | 0.3125 | 5.5 |
CD110802.5032381 | Cat50-FMA1-1 / 4“ - 15” | 19.687 | 0.687 | 0.512 | 0.875 | 1.69 | 0.188 | 0.3125 | 5.6 |
CD110802.5019100 | CAT50-FMA3 / 4 \“ - 4 \” | 8.687 | 0.687 | 0.512 | 0.875 | 1.69 | 0.188 | 0.3125 | 4.2 |
CD110802.5019152 | CAT50-FMA3 / 4 \“ - 6 \” | 10.687 | 0.687 | 0.512 | 0.875 | 1.69 | 0.188 | 0.3125 | 4.5 |
CD110802.5019203 | CAT50-FMA3 / 4 \“ - 8 \” | 12.687 | 0.687 | 0.512 | 0.875 | 1.69 | 0.188 | 0.3125 | 4.7 |
CD110802.5019229 | CAT50-FMA3 / 4 \“ - 9 \” | 13.687 | 0.687 | 0.512 | 0.875 | 1.69 | 0.188 | 0.3125 | 4.8 |
CD110802.5019254 | CAT50-FMA3 / 4 \“ - 10 \” | 14.687 | 0.687 | 0.512 | 0.875 | 1.69 | 0.188 | 0.3125 | 4.8 |
CD110802.5019305 | CAT50-FMA3 / 4 \“ - 12 \” | 16.687 | 0.687 | 0.512 | 0.875 | 1.69 | 0.188 | 0.3125 | 5 |
CD110802.5019381 | CAT50-FMA3 / 4 \“ - 15 \” | 19.687 | 0.687 | 0.512 | 0.875 | 1.69 | 0.188 | 0.3125 | 5.3 |